SI314—低功耗14通道电容触摸传感器-大模型牛翰社区-人工智能-牛翰网

SI314—低功耗14通道电容触摸传感器

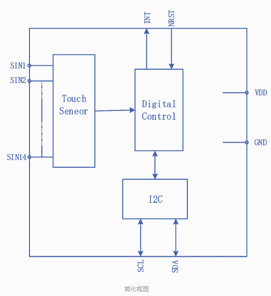
Si314是一款具有自动灵敏度校准功能的14通道电容传感器,其工作电压范围为1.8~5.5V。   
Si314设置休眠模式来节省功耗,此时,功耗电流为10uA@3.3V。   
Si314各个感应通道可实现独立使能、校准、灵敏度调节,可以确保可靠性,且具有自适应滤波功能,以应对各种噪音和环境变化。    I2C串行接口可以读写内部寄存器,检测触摸感应的结果,内部寄存器具有写保护功能。

芯片特性
上电复位 
自动校准灵敏度功能的14通道电容传感器
可选择的输出模式 多种灵敏度独立可调 
支持I2C串行接口 
支持寄存器写保护功能 
嵌入式高频率噪声消除电路 
支持自定义触摸限制时间

相关图像
图片[1]-SI314—低功耗14通道电容触摸传感器-大模型牛翰社区-人工智能-牛翰网
图片[2]-SI314—低功耗14通道电容触摸传感器-大模型牛翰社区-人工智能-牛翰网
测试板

应用领域
移动应用(手机/PDA/PMP等) 
薄膜开关 
多钥匙应用-门锁,遥控器等 
控制面板,键盘 
触摸屏幕应用

来源链接:https://www.cnblogs.com/song13682541534/p/18650057

请登录后发表评论

    没有回复内容