Verilog4_时序逻辑电路-大模型牛翰社区-人工智能-牛翰网

Verilog4_时序逻辑电路

时序逻辑电路概述

  • 时序逻辑电路分类:
    • 按照触发器的动作特点:
      • 同步时序逻辑电路: 所有触发器的状态变化都是在同一个时钟信号作用下同时发生的
      • 异步时序逻辑电路: 没有统一的时钟脉冲信号,各触发器状态的变化不在同一时间,而是有先后顺序
    • 按照输出信号的特点:
      • Mealy型: 输出状态不仅与存储电路的状态有关,而且与外部的输入有关
      • Moore型: 输出状态仅与存储电路的状态有关,而且与外部输入无关

时序逻辑电路设计方法

  • 时序逻辑电路设计要点
    • 只有时钟信号和复位信号可以放在敏感列表里,如果敏感变量列表中,有一个信号是边沿触发,那么所有信号都得使用边沿触发;
      • posedge:时钟上升沿触发
      • negedge:时钟下降沿触发
    • 使用非阻塞赋值,即使用“<=”进行赋值
    • 不需要对所有分支进行描述,对于未描述的分支,变量将保持原值

时序逻辑电路设计实例

        不同结构功能和不同用途的触发器和锁存器,是基本的时序电路元件,是时序逻辑电路设计的基础

  • 实例1:基本锁存器

要求描述:
        基本锁存器电路是一个电平触发型的电路,当时钟clk为高电平时,其输出q的值才会随输入d的数据变化而更新;当时钟clk为低电平时,锁存器将保持原来高电平时锁存的值。

//实现代码
module latch_1(
	input clk, d,
	output reg q);
	
	always@(clk,d)
		if(clk)
			q<=d;
		
endmodule 

//仿真代码
`timescale 1ns/1ns
module latch_1_tb();
	reg clk, d;
	wire q;

	latch_1 U1(clk, d, q);
	always #5 clk = ~clk;
	initial begin
		clk=0; d=1;
		#20 d=0;
		#20 d=1;
		#20 $finish;
	end
endmodule

        仿真得到的波形图如下:

图片[1]-Verilog4_时序逻辑电路-大模型牛翰社区-人工智能-牛翰网         综合出的电路结构图如下:

  • 实例2:含复位控制的锁存器

要求描述:
        当rstn为低电平时,输出q的值复位为0;当rstn为高电平时,q的输出行为与基本锁存器一致。

//实现代码
module latch_2(
	input clk, d, rstn,
	output reg q);

	always@(clk, d, rstn)	begin
		if(~rstn)	q<=1'b0;
		else if(clk)	q<=d;
	end
endmodule

//仿真代码
`timescale 1ns/1ns
module latch_2_tb();
	reg clk, d, rstn;
	wire q;

	latch_2 U1(clk, d, rstn, q);
	always #5 clk = ~clk;
	initial begin
		rstn=0;d=0;
		#10 rstn=1; d=0;
		#10 rstn=1; d=1;
		#10 rstn=1; d=0;
		#10 rstn=1; d=1;
		#10 rstn=0;
		#10 $finish;
	end
endmodule 

        仿真得到的波形图如下:

图片[2]-Verilog4_时序逻辑电路-大模型牛翰社区-人工智能-牛翰网         综合出的电路结构图如下:

  • 实例3:基本D触发器

要求描述:
        触发器是指边沿触发的存储单元,常见的有D型、JK型、T型,通常在时钟上升沿存储(更新)数据。其中D触发器是最常用的触发器,几乎所有的逻辑电路都可以描述成D触发器与组合逻辑电路

//实现代码
module dff_1(
	input clk, d,
	output reg q);

	always@(posedge clk)
		q<=d;

endmodule

//仿真代码
`timescale 1ns/1ns
module dff_1_tb();
	reg clk, d;
	wire q;

	dff_1 U1(clk, d, q);
	always #10 clk = ~clk;
	initial begin
		clk=0;	d=0;
		#20 d=1;
		#30 d=0;
		#10 d=1;
		#20 d=0;
		#10 $finish;
	end
endmodule 

        仿真得到的波形图如下:

图片[3]-Verilog4_时序逻辑电路-大模型牛翰社区-人工智能-牛翰网         综合出的电路结构图如下:

  • 实例4:含异步复位信号的D触发器

要求描述:
        异步复位信号reset的高电平能够在任意时刻复位D触发器,而不受时钟信号控制

//实现代码
module dff_2(
	input clk, d, reset,
	output reg q);

	always@(posedge clk, posedge reset)	begin//敏感信号列表中只能同时出现脉冲边沿信号或者是电平信号,不能混合使用
		if(reset)	q<=1'b0;
		else	q<=d;
	end
endmodule 

//仿真代码
`timescale 1ns/100ps
module dff_2_tb();
	reg clk, d, reset;
	wire q;

	dff_2 U1(clk, d, reset, q);
	always #5 clk=~clk;
	initial begin
		clk=0; reset=1; d=0;
		#6 reset=0; d=1;
		#6 reset=0; d=0;
		#6 reset=0; d=1;
		#6 reset=0; d=0;
		#6 reset=0; d=1;
		#6 reset=1;
		#10 $finish;
	end
endmodule 

        仿真得到的波形图如下:

图片[4]-Verilog4_时序逻辑电路-大模型牛翰社区-人工智能-牛翰网         综合出的电路结构图如下:

  • 实例5:含同步复位信号的D触发器

要求描述:
        与时钟同步,同步复位信号reset的高电平只有当时钟信号有效时才起作用,而当时钟信号没有到来时,该控制信号不起作用

//实现代码
module dff_3(
	input clk, d, reset,
	output reg q);

	always@(posedge clk)	begin
		if(reset)	q<=1'b0;
		else	q<=d;
	end
endmodule 

//仿真代码
`timescale 1ns/100ps
module dff_3_tb();
	reg clk, d, reset;
	wire q;

	dff_3 U1(clk, d, reset, q);
	always #5 clk=~clk;
	initial begin
		clk=0; reset=1; d=0;
		#6 reset=0; d=1;
		#6 reset=0; d=0;
		#6 reset=0; d=1;
		#6 reset=0; d=0;
		#6 reset=0; d=1;
		#6 reset=1;
		#10 $finish;
	end
endmodule 

        仿真得到的波形图如下:

图片[5]-Verilog4_时序逻辑电路-大模型牛翰社区-人工智能-牛翰网         综合出的电路结构图如下:

  • 实例6:含异步复位和同步使能的D触发器

要求描述:
        更加实用的D触发器包含一个额外的控制信号en,能够控制触发器进行输入值采样。使能信号en只有在时钟上升沿来临时才会生效,所以他是同步信号,如果en没有置1,触发器将保持先前的值。

//实现代码
module dff_4(
	input clk, d, reset, en,
	output reg q
);

	always@(posedge clk, posedge reset)	begin
		if(reset)	q<=1'b0;
		else if(~en)	q<=q;
		else	q<=d;
	end
endmodule

//仿真代码
module dff_4_tb();
	reg clk, d, reset, en;
	wire q;

	dff_4 U1(clk, d, reset, en, q);
	always #5 clk=~clk;

	initial begin
		clk=0; reset=1; en=0; d=0;
		#8 reset=0;
		#4 en=1;
		#5 d=1;
		#10 d=0;
		#10 d=1;
		#10 d=0;
		#10 en=0; d=1;
		#3 en=1; reset=1;
		#10 $finish;
	end
endmodule

        仿真得到的波形图如下:

图片[6]-Verilog4_时序逻辑电路-大模型牛翰社区-人工智能-牛翰网         综合出的电路结构图如下:

        D触发器的使能常用于实现同步快子系统和慢子系统
        假设快子系统和慢子系统的时钟频率分别为50MHz和1MHz。我们可以生成一个周期性的使能信号,每50个时钟周期使能一个时钟周期,而不是另外派生出一个1MHz的时钟信号来驱动慢子系统,慢子系统在其余49个时钟周期中是保持原来状态的。

锁存器和触发器的区别:

  • 锁存器: 没有时钟输入端,对脉冲电平敏感的存储电路,在特定输入脉冲电平作用下改变状态;
  • 触发器: 每一个触发器有一个时钟输入端,对脉冲边沿敏感的存储电路,在时钟脉冲的上升沿或下降沿的变化瞬间改变状态。
    锁存器消耗的门资源比DFF要少;
    ASIC中会使用一定数量的锁存器;而FPGA中几乎没有标准的锁存器单元,更多的是触发器;
    锁存器会让时序变得极为复杂,静态时序分析非常困难。故在绝大多数设计中应尽量避免产生锁存器,能使用触发器则不使用锁存器。
  • 实例7:1位寄存器

要求描述:
        一个触发器构成一个一位寄存器;N个触发器级联,构成一个N位寄存器。为了设计一个一位寄存器,可以在需要时从输入线in_data加载一个值,我们给D触发器增加一根使能信号load,当想要从in_data加载一个值时,就把load设置为1,那么在下一个时钟上升沿到来时,in_data的值将被存储在q中。
        本质上,一位寄存器就是一个异步复位和同步使能的触发器

//实现代码
module reg_1(
	input clk, in_data, reset, load,
	output reg q);

	always@(posedge clk, posedge reset)	begin
		if(reset)	q<=1'b0;
		else if(load)	q<=in_data;
	end
endmodule

//仿真代码
`timescale 1ns/1ns //默认值是1ns/1ps
module reg_1_tb();
	reg clk, in_data, reset, load;
	wire q;

	reg_1 U1(clk, in_data, reset, load, q);
	always #10 clk=~clk;

	initial begin
		clk=0; reset=1; load=0; in_data=0;
		#5 reset=0;
		#5 load=1;
		#5 in_data=1;
		#5 in_data=0;
		#10 in_data=1;
		#5 load=0;
		#5 load=1;reset=1;
		#10 $finish;
	end
endmodule

        仿真得到的波形图如下:

图片[7]-Verilog4_时序逻辑电路-大模型牛翰社区-人工智能-牛翰网         综合出的电路结构图如下:

  • 实例8:N位寄存器

要求描述:
        把N个1位寄存器模块组合起来,就可以构成一个N位寄存器

//实现代码
module reg_2#(parameter N=4)(
	input clk, reset, load,
	input [N-1:0] in_data,
	output reg [N-1:0] q);

	always@(posedge clk, posedge reset)	begin
		if(reset)	q<=1'b0;
		else if(load)	q<=in_data;
	end
endmodule

//仿真代码
`timescale 1ns/100ps
module reg_2_tb#(parameter N=4)();
	reg clk, reset, load;
	reg [N-1:0] in_data;
	wire [N-1:0] q;

	reg_2 U1(clk, reset, load, in_data, q);
	always #1 clk=~clk;
	
	initial begin
		clk=0; reset=1; load=0; in_data=4'b0000;
		#5 reset=1;
		#5 load=1;
		#5 in_data = 4'b0001;
		#5 in_data = 4'b0010;
		#5 in_data = 4'b0100;
		#5 in_data = 4'b1000;
		#5 load = 0;
		#5 reset=1;
		#10 $finish;
	end
endmodule

        仿真得到的波形图如下:

图片[8]-Verilog4_时序逻辑电路-大模型牛翰社区-人工智能-牛翰网         综合出的电路结构图如下:

  • 实例9:具有同步预置功能的8位移位寄存器

将若干个D触发器串接级联在一起构成的具有移位功能的寄存器
移位寄存器的分类:

  • 按照移动方式分类:
    • 单向移位寄存器:左移位寄存器/右移位寄存器
    • 双向移位寄存器
  • 按照输出方式分类:
    • 串入串出
    • 串入并出

要求描述:
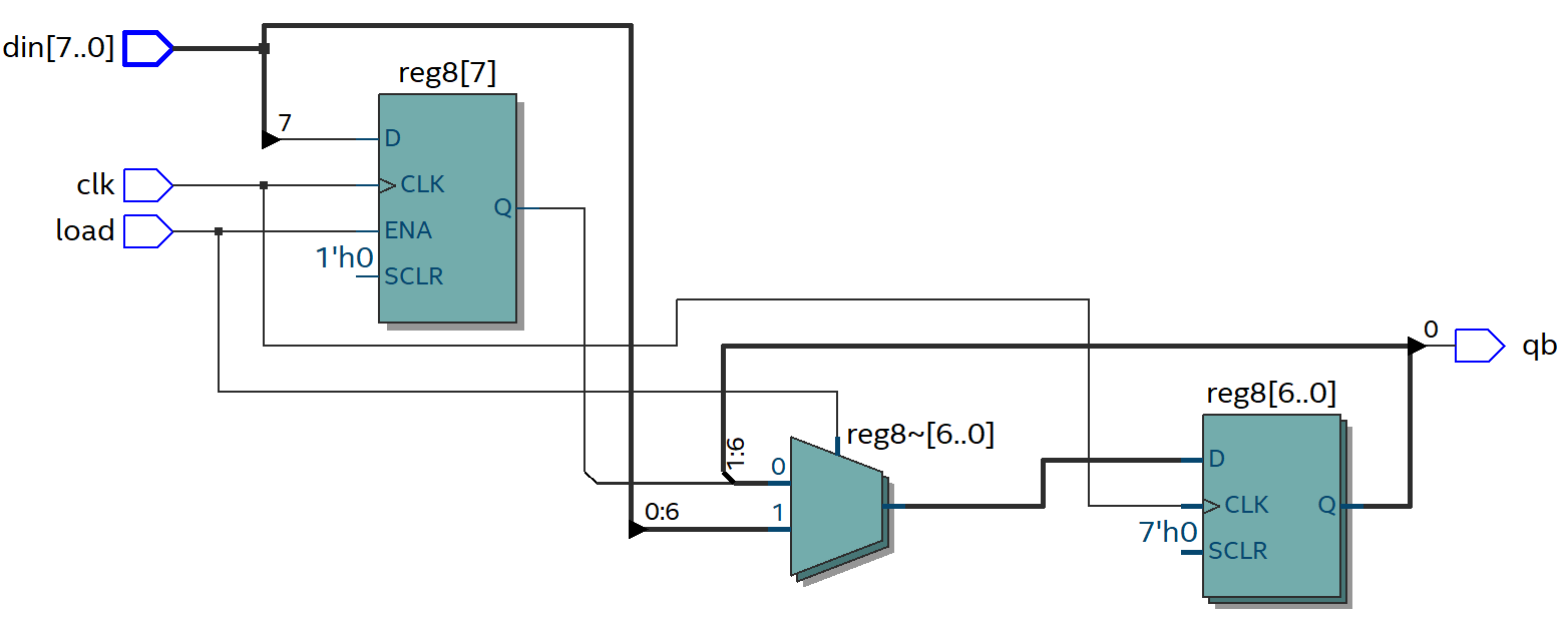
        当时钟上升沿到来时,过程被启动,如果此时预置使能端口load为高电平,则输入端口din的8位二进制数被同步并行移入寄存器,用作串行右移的初始值;
        如果此时预置使能端口load为低电平,则执行赋值语句:\(reg8[6:0]<=reg8[7:1]\),这样完成一个时钟周期后,将把上一时钟周期的高七位值更新至此寄存器的低七位,实现右移一位的操作,连续赋值语句把移位寄存器最低为通过qb端口输出。

//实现代码
module reg_3(
	input clk, load, 
	input [7:0] din,
	output qb
);

	reg [7:0] reg8;
	always@(posedge clk)	begin
		if(load)	reg8<=din;
		else	reg8[6:0]<=reg8[7:1];
	end

	assign qb=reg8[0];
endmodule

//仿真代码
`timescale 1ns/100ps
module reg_3_tb();
	reg clk, load;
	reg [7:0] in;
	wire qb;

	reg_3 U1(clk, load, in, qb);
	always #1 clk=~clk;
	
	initial begin
		clk=0; load=0; in=8'b11011010;
		#5 load=1;
		#1 load=0;
		#10 load=1; in=8'b10101010;
		#5 load=0;
		#10 $finish;
	end
endmodule

        仿真得到的波形图如下:

图片[9]-Verilog4_时序逻辑电路-大模型牛翰社区-人工智能-牛翰网         综合出的电路结构图如下:

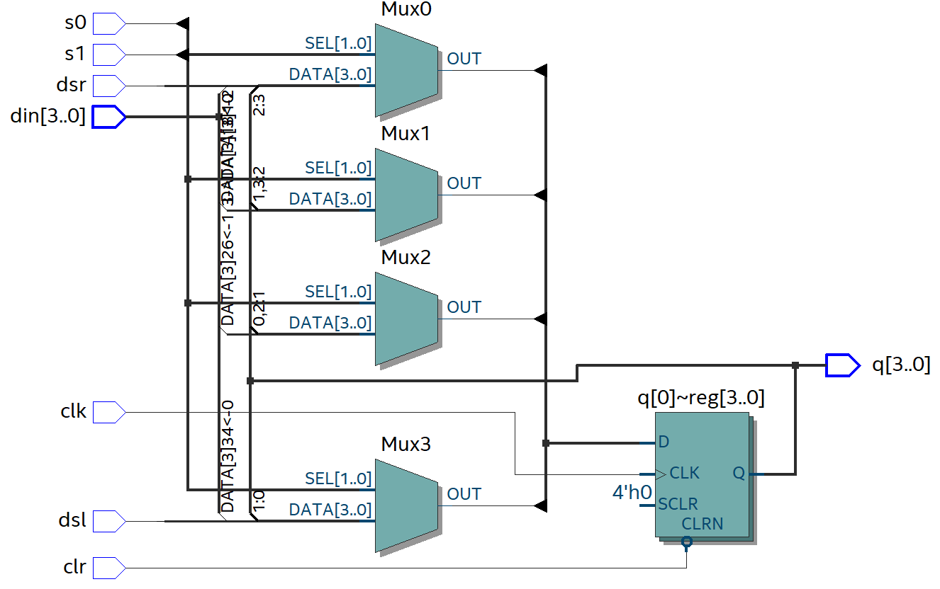
  • 实例10:4位双向移位寄存器

要求描述:
        功能如下图,试用功能描述风格对其建模

//实现代码
module reg_4(
	input clk, clr, dsl, dsr, s1, s0,
	input [3:0] din,
	output reg [3:0] q
);

	always@(posedge clk, negedge clr)	begin
		if(~clr)	q<=4'b0000;
		else	begin
			case({s1, s0})
				2'b00: q<=q;
				2'b01: q<={dsr,q[3:1]};
				2'b10: q<={q[2:0],dsl};
				2'b11: q<=din;
			endcase
		end
	end
endmodule

//仿真代码
`timescale 1ns/100ps
module reg_4_tb();
	reg clk, clr, dsl, dsr, s1, s0;
	reg [3:0] din;
	wire [3:0] q;

	reg_4 U1(clk, clr, dsl, dsr, s1, s0, din, q);
	always #1 clk=~clk;

	initial begin
		clk=0; clr=0; dsl=0; dsr=0; s1=0; s0=0; din=4'b1111;
		#5 clr=1; s1=1; s0=1;
		#5 s1=0; s0=1;
		#5 s1=1; s0=0; dsl=1;
		#10 clr=0;
		#5 $finish;
	end
endmodule 

        仿真得到的波形图如下:

图片[10]-Verilog4_时序逻辑电路-大模型牛翰社区-人工智能-牛翰网         综合出的电路结构图如下:

  • 实例11:模M计数器

        计数器的基本功能是对输入时钟脉冲进行计数,它也可以用于分频、定时、产生节拍脉冲和脉冲序列以及进行数字运算等。
        计数器的分类如下:

要求描述:
        模M计数器的计数值从0增加到M-1,然后循环。其中参数M指定了计数模值,参数N指定了计数器所需的位数,采用高电平同步复位。

//实现代码
module counter_mod_m #(
	parameter M=10,
	parameter N=4
)(
	input clk, reset,
	output reg [N-1:0] qd,
	output cout //进位信号
);

	

	always@(posedge clk)	begin
		if(reset)
			qd<=0;	
		else if(qd<M-1)
			qd<=qd+1;
		else 
			qd<=0;
	end

	assign cout = (qd==(M-1))? 1'b1:1'b0;
endmodule

//仿真代码
`timescale 1ns/100ps
module counter_mod_m_tb();
	reg clk, reset;
	wire cout;
	wire [3:0] qd;

	counter_mod_m U1(clk, reset, qd, cout);

	always #1 clk=~clk;
	initial begin
		clk=0; reset=1;
		#5 reset=0;
		#20 reset=1;
		#5 $finish;
	end
endmodule

        仿真得到的波形图如下:

图片[11]-Verilog4_时序逻辑电路-大模型牛翰社区-人工智能-牛翰网         综合出的电路结构图如下:

来源链接:https://www.cnblogs.com/Qzzz/p/18650456

请登录后发表评论

    没有回复内容